Quick Search
Available Options:
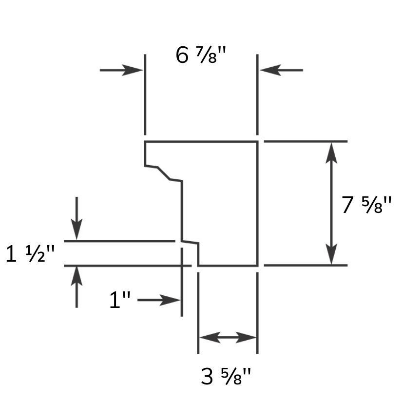
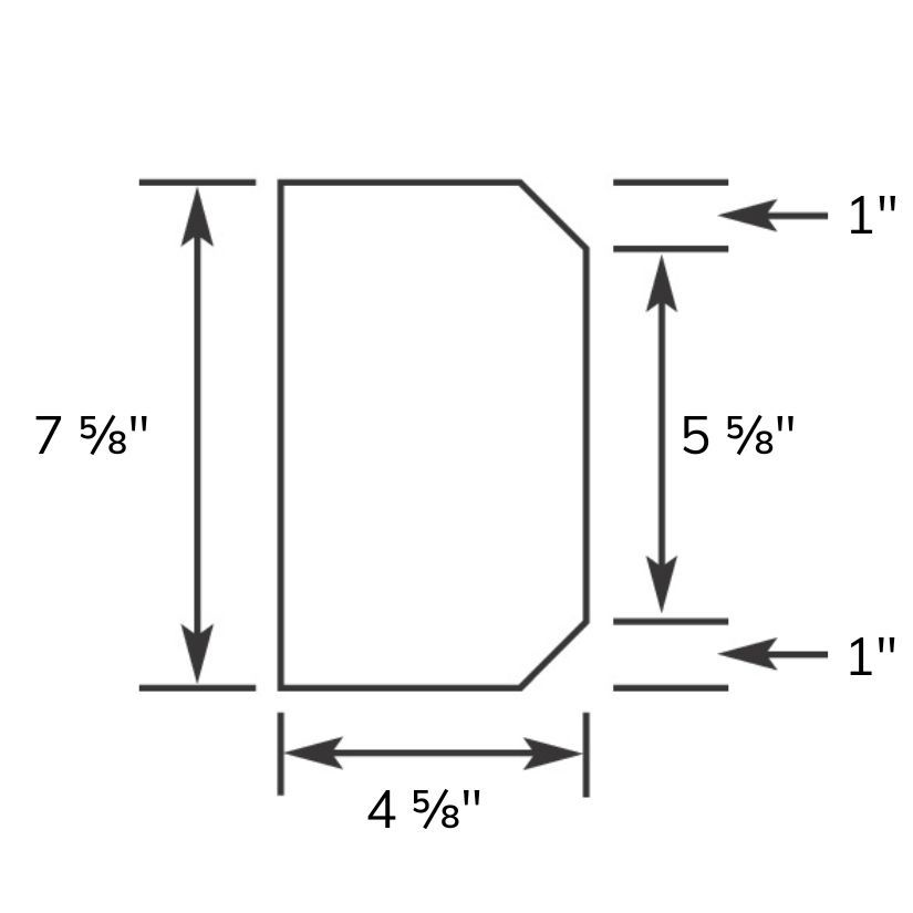
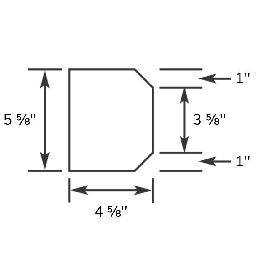
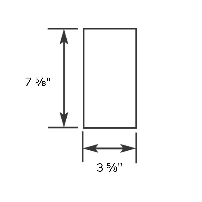
- RockCast Custom Cast Stone is available in custom sizes to meet your design needs.
- Units are manufactured in standard 47 5⁄8" lengths unless otherwise indicated or due to weight of the piece. 
Please reference Shop Drawings for verification.
Choose Custom Cast Stone Headers and Surrounds
At Reading Rock, Inc. we manufacture cast stone caps and copings that do more than just top off your masonry work—they provide critical protection against the elements while adding a refined architectural finish. Whether you're capping a wall, pier, column, or parapet, our products combine long-term durability with timeless curb appeal.
Fully Customizable Profiles
We offer a variety of standard header and surround designs—or we can create custom profiles to match your architectural plans, from sleek modern lines to ornate traditional moldings.
Built to Last
Manufactured with high-performance concrete mixes, our cast stone resists cracking, weathering, and moisture—ensuring a long-lasting, low-maintenance installation.
Seamless Integration
Our headers and surrounds are designed to pair easily with brick, block, stucco, and veneer wall systems. They can be installed during construction or as part of a retrofit.
Request a Quote Today
Let our expert team help you specify cast stone headers and surrounds that add beauty, depth, and value to your next project. Contact us to request a quote or custom design consultation.

























